Каталог товаров
Steam Origin Разное Steam аккаунты Origin аккаунты Xbox аккаунты Базы данных Шаблоны для сайта Прогнозы на спорт Антивирусы WOT аккаунты Uplay аккаунты Warface аккаунтыПринимаем к оплате
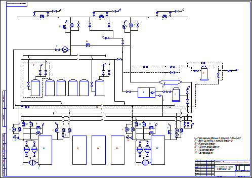
Купить Схема Технолог. промежуточной компрессорной станции |
|---|
|
Есть в наличии.
Цена:
232.01 руб.
|
| В нашем магазине вы сможете купить Схема Технолог. промежуточной компрессорной станции дешево и надежно. Оплата онлайн, любым удобным способом. Схема Технологическая промежуточной компрессорной станции. (Формат: Компас-cdw, Autocad-dwg, Adobe-pdf, Picture-Jpeg) |
|
Доп. информация
|
| !!!Уважаемый покупатель в случае возникновения вопросов с товаром (ошибок с архивом), не спешите писать ГНЕВНЫЕ отзывы. Свяжитесь с продавцом, мы всегда готовы пересохранить в другой формат, в другой редактор, исправить язык, убрать-добавить табличку и так далее, что бы удовлетворить все ваши требования! Ответ будет не дольше чем за сутки!! |
|
Количество продаж товара - 0
|
|
Тип товара: Товар: файл (40226132012707.zip,
13466 байтов)
|
|
Загружен - 26.02.2014 13:20:13
|
|
Продавец - na5.in
|
|
Количество положительных отзывов: 0
|
|
Количество отрицательных отзывов: 0
|

