Каталог товаров
Steam Origin Разное Steam аккаунты Origin аккаунты Xbox аккаунты Базы данных Шаблоны для сайта Прогнозы на спорт Антивирусы WOT аккаунты Uplay аккаунты Warface аккаунтыПринимаем к оплате
Купить Д12 Вариант 36 (рис. 3 усл. 6) теормех Тарг С.М. 1989 г |
|---|
|
Есть в наличии.
Цена:
45.00 руб.
|
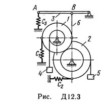
| В нашем магазине вы сможете купить Д12 Вариант 36 (рис. 3 усл. 6) теормех Тарг С.М. 1989 г дешево и надежно. Оплата онлайн, любым удобным способом. Готовое решение задачи Д12 Вариант 36 по теоретической механике из Тарга С.М. 1989 г.. Условие к задаче Динамика 12 (стр. 101 в методичке Тарга): Механизм, расположенный в вертикальной плоскости (рис. Д12.0 — Д12.9), состоит из ступенчатых колес 1 и 2 с радиусами R1 = 0,4 м, r1 = 0,2 м, R2 = 0,5 м, r2 = 0,3 м, имеющих неподвижные оси вращения; однородного стержня 3 длиной l =1,2 м, закрепленного шарниром на одном из концов; грузов 4 и 5, подвешенных к нитям, намотанным на колеса. На стержне расстояние АВ = 2l/3. Стержень 3 соединен с колесом 2 невесомым стержнем 6. Колеса 1 и 2 или находятся в зацеплении (рис. 0—4), или соединены невесомым стержнем 7 (рис. 5—9). К колесам и стержню 3 прикреплены пружины. В табл. Д12 заданы массы mi тел (кг) и коэффициенты жесткости ci пружин (Н/м). Прочерки в столбцах таблицы означают, что соответствующие тела или пружины в систему не входят (на чертеже эти тела и пружины не изображать); в результате в каждом конкретном варианте получается довольно простой механизм, содержащий три или даже два тела. Стержень 6 или 7 входит в состав механизма, когда в него входят оба тела, соединенные этим стержнем. В положениях, изображенных на рисунках, механизм находится в равновесии. Определить частоту и период малых колебаний системы около положения равновесия. Найти также, чему равно статическое удлинение (сжатие) пружины λст в положении равновесия. При подсчетах считать колеса 1 и 2 сплошными однородными цилиндрами радиусов R1 и R2 соответственно. Рассмотрим два примера решения этой задачи. |
|
Доп. информация
|
| После оплаты Вы получите решение задачи Д12 Вариант 36 (рисунок 3 условие 6) по термеху из уникального решебника Тарга С.М. 1989 года для студентов-заочников машиностроительных, транспортных, строительных, приборостроительных специальностей высших учебных заведений. Решение оформлено в формате word, запаковано в архив zip. Буду очень признателен, если после успешной сдачи работы Вы вернетесь на сайт и оставите положительный отзыв. Поверьте, для меня это очень Важно. Заранее спасибо. |
|
Количество продаж товара - 0
|
|
Тип товара: Товар: файл (d12-36.zip,
32451 байт)
|
|
Загружен - 10.07.2013 13:50:56
|
|
Продавец - TerMaster
|
|
Количество положительных отзывов: 0
|
|
Количество отрицательных отзывов: 0
|

