Каталог товаров
Steam Origin Разное Steam аккаунты Origin аккаунты Xbox аккаунты Базы данных Шаблоны для сайта Прогнозы на спорт Антивирусы WOT аккаунты Uplay аккаунты Warface аккаунтыПринимаем к оплате
Купить Руководство по ремонту и эксплуатации Hyundai R35Z-7 |
|---|
|
Есть в наличии.
Цена:
150.00 руб.
|
|
В нашем магазине вы сможете купить Руководство по ремонту и эксплуатации Hyundai R35Z-7 дешево и надежно. Оплата онлайн, любым удобным способом.
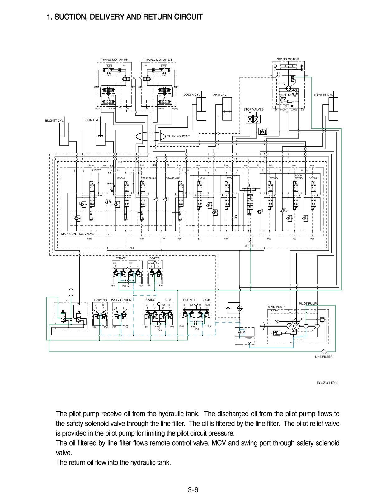
Предлагаю полное руководство по ремонту и эксплуатации экскаватора Hyundai R35Z-7 service manual. В руководстве рассмотрено устройство экскаватора, приведены полные гидравлические, электрические схемы, описание систем и методов диагностики неисправностей, описание (с фотографиями) разбора механических частей. Качество - изначально электронное, оригинальные мануалы на английском языке! Всего 44 файла в формате pdf размером по 3-20 страниц, и файл оглавления в формате html. Продаю ссылку с прямым доступом к архиву с документацией на данную модель. Обращаю внимание на то, что название техники формируется следующим образом: первая буква , например R - вид техники, R - экскаватор, далее число - грузоподъёмность, последняя буква - колёсная ТУТ самое важное, например R130W-3 это 1.3 тонны, но есть ещё другое написание - 1300W-3, и это одно и то же, я проверял на примере нескольких экскаваторов. Содержание руководства: WHEEL EXCAVATOR R35Z-7 FOREWORD CONTENTS SECTION 1 GENERAL Group 1 Safety Hints Group 2 Specifications SECTION 2 STRUCTURE AND FUNCTIONND FUNCTION Group 1 Pump Device Group 2 Main Control Valve Group 3 Swing Device Group 4 Travel Motor Group 5 RCV Lever SECTION 3 HYDRAULIC SYSTEM Group 1 Hydraulic Circuit Group 2 Main Circuit Group 3 Pilot Circuit Group 4 Single Operation Group 5 Combined Operation SECTION 4 ELECTRICAL SYSTEM Group 1 Component Location Group 2 Monitoring System Group 3 Electrical Circuit Group 4 Electrical Component Specification Group 5 Connectors SECTION 5 TROUBLESHOOTING Group 1 Before Troubleshooting Group 2 Hydraulic and Mechanical System Group 3 Electrical System SECTION 6 MAINTENANCE STANDARD Group 1 Operating Performance Test Group 2 Major Components Group 3 Track and Work Equipment SECTION 7 DISASSEMBLY AND ASSEMBLY Group 1 Precaution Group 2 Tightening Torque Group 3 Pump Device Group 4 Main Control Valve Group 5 Swing Device Group 6 Travel Device Group 7 RCV Lever Group 8 Turning Joint Group 9 Boom, Arm, Bucket Cylinder Group 10 Undercarriage Group 11 Work Equipment SECTION 8 COMPONENT MOUNTING TORQUE Group 1 Introduction guide Group 2 Engine system Group 3 Electric system Group 4 Hydraulic system Group 5 Undercarriage Group 6 Structure Group 7 Work equipment |
|
Количество продаж товара - 0
|
|
Тип товара: текстовая информация (
56 символов)
|
|
Загружен - 24.07.2012 15:37:08
|
|
Продавец - TehMan
|
|
Количество положительных отзывов: 0
|
|
Количество отрицательных отзывов: 0
|

